
ASAP PROJECTS
CAD-BIM & AI CONVERGENCE: RELIABILITY. BENEFIT. INNOVATION.
By Markus Hormaza
AUTOMATIZACIÓN INDUSTRIAL
Mediante el spin-off CONTROLOGIC CAD, se desarrollan diagramas de sistemas automatizados, incluyendo sensores, actuadores, arquitectura y lógica de control. Se generan esquemas electrónicos, diagramas de control y conformación de AsBuilt funcional para integración en entornos industriales como: Oil & Gas, procesos químicos, cosméticos, tratamiento de aguas residuales y manufactura alimenticia.
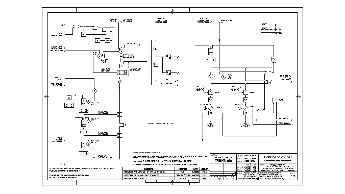
BIFUEL SYSTEM DIAGRAM – US4031404 PATENT

| | Proyecto: BIFUEL SYSTEM DIAGRAM – US4031404 PATENT | | Fecha: 22/10/2025 | | Elaborado por: Markus Hormaza, representante de ASAP PROJECTS © | | Objetivo: Digitalización, normalización y representación técnica del diagrama original de la patente US4031404, correspondiente a un sistema bifuel de generación eléctrica en ciclo combinado, integrando simbología industrial estandarizada y estructura documental compatible con entornos CAD-BIM de automatización y control | | Fase de diseño: Modelamiento digital y documentación técnica | | Habilidades: Dibujo técnico asistido por computador (CAD), interpretación de diagramas de procesos industriales, normalización simbólica ISA y ISO, documentación P&ID, y modelamiento esquemático de sistemas térmicos e hidráulicos | | Alcance del Proyecto: Elaboración del diagrama digitalizado y normalizado de la patente US4031404, que describe un sistema de planta de energía de ciclo combinado con dos generadores de vapor de recuperación de calor (HRSG) y control avanzado de temperatura de vapor. El proyecto abarca la traducción visual del esquema original a formato CAD, incorporando simbología normalizada para válvulas, sensores, actuadores, líneas de proceso, y sistemas de control automático | | Descripción general: El proyecto reinterpreta y vectoriza el diagrama técnico a mano alzada de la patente US4031404, presentada el 8 de agosto de 1974 y otorgada a Westinghouse Electric Corporation. La representación CAD emplea simbología conforme a los estándares ISA S5.1 y ISO 14617, manteniendo fidelidad técnica al diseño original, pero con precisión dimensional, capas de información y jerarquía visual optimizadas para entornos digitales industriales. El resultado es un P&ID (Piping and Instrumentation Diagram) funcional y legible, aplicable en análisis de ingeniería inversa, formación técnica y documentación archivística de sistemas históricos de energía térmica | | Fuente de Información: Patente US4031404 (Westinghouse Electric Corporation, inventores Martz & Plotnick, dominio público) | | Copyright: Trabajo propio basado en fuente de dominio público. Todos los derechos reservados sobre la digitalización y normalización técnica | | Herramientas: AutoCAD, Autodesk Plant 3D, Navisworks (visualización técnica), Inkscape (vectorización de trazos originales) | | Standards de Normalización: ISA S5.1 (Instrumentation Symbols and Identification), ISO 14617 (Graphical Symbols for Diagrams), ISO 3511 (Process Measurement and Control Documentation), ANSI/IEEE 315 (Electrical and Electronic Diagrams), API RP 14C (Safety Systems), IEC 60617 (Electrical symbols) | | Requerimientos de Diseño: Representación digital 2D precisa del sistema bifuel; capas separadas para proceso, control y potencia; simbología coherente con estándares ISA/ISO; escala uniforme y rotulación técnica; trazabilidad de señales y flujo térmico-hidráulico; compatibilidad con entornos de ingeniería industrial y simulación | | Experticia requerida: Automatización industrial, diseño de procesos energéticos, ingeniería térmica, control de sistemas, interpretación de patentes técnicas, documentación P&ID, y modelamiento CAD | | Tecnologías Utilizadas: Autodesk, Inc. | | Componentes Representados: Turbinas de gas y vapor, generadores eléctricos, intercambiadores de calor, calderas HRSG, válvulas de control, instrumentación de presión y temperatura, sistemas de combustible dual (gas y líquido), y bucles de control de temperatura | | Documentación Generada: Diagrama digital P&ID, archivo CAD vectorizado (.dwg / .dxf), memoria descriptiva del sistema, leyenda de simbología normalizada, y registro de capas de control e instrumentación | | Materiales de Referencia: Patente US4031404 (Dominio público), bibliografía técnica de Westinghouse Electric Corporation, manuales ISA e ISO de simbología industrial | | Consideraciones: El proyecto tiene carácter técnico-demostrativo y documental, sin fines de explotación comercial. Su propósito es evidenciar las competencias en digitalización, normalización simbólica y representación CAD industrial aplicadas por la firma CONTROLOGIC CAD, dirigida por Markus Hormaza, en el ámbito de la automatización y control de procesos energéticos. El diagrama constituye una reinterpretación digital y normalizada de la patente US4031404, orientada a la preservación del conocimiento tecnológico histórico y a la demostración de habilidades en diseño técnico, precisión gráfica y aplicación de estándares internacionales ISA/ISO. Se acredita la fuente original conforme a la legislación sobre dominio público | | Atribución: Digital reconstruction of “Bifuel System Diagram” – Patent US4031404 © Westinghouse Electric Corp. (Public Domain) | | Contacto: Markus Hormaza, hormazamarkus@gmail.com | | Derechos: ASAP PROJECTS © Todos los derechos reservados sobre la digitalización técnica y simbología aplicada | |
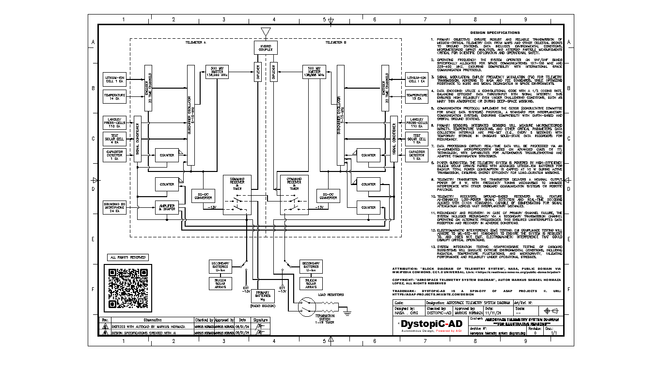
AEROSPACE TELEMETRY SYSTEM DIAGRAM – NASA (Public Domain)

| | Proyecto: AEROSPACE TELEMETRY SYSTEM DIAGRAM – NASA (Public Domain) | | Fecha: 22/10/2025 | | Elaborado por: Markus Hormaza, representante de ASAP PROJECTS © / CONTROLOGIC CAD | | Objetivo: Digitalización, normalización y representación técnica del diagrama de sistema de telemetría aeroespacial perteneciente al dominio público de NASA.org (Wikipedia Commons). El proyecto tiene como fin demostrar habilidades avanzadas en diagramación CAD, estandarización simbólica y estructuración de sistemas lógicos y de control, conforme a normativas internacionales de ingeniería y documentación técnica | | Fase de diseño: Digitalización y diagramación técnica CAD | | Habilidades: Interpretación de diagramas lógicos, dibujo técnico asistido por computador (CAD), normalización de simbología IEEE e ISA, organización jerárquica de arquitectura de control, documentación técnica y presentación de planos normalizados | | Alcance del Proyecto: Vectorización y estructuración digital del diagrama original de la NASA referente a un sistema de telemetría aeroespacial, incorporando simbología técnica, capas organizadas, nomenclaturas y jerarquía funcional compatibles con entornos CAD-BIM industriales y aeroespaciales. El resultado es un documento técnico que conserva la fidelidad informativa del esquema original, pero optimizado para lectura, trazabilidad y reutilización técnica | | Descripción general: El proyecto se basa en la reconstrucción digital vectorizada de un diagrama histórico del dominio público perteneciente a NASA, disponible en Wikipedia Commons. La representación técnica integra simbología IEEE 315, ISO 14617 e ISA S5.1, garantizando coherencia en conexiones lógicas, señales, módulos y procesos de telemetría. Se preserva la arquitectura del sistema de transmisión y control, detallando bloques funcionales, fuentes de alimentación, acoplamientos, transmisores, convertidores y receptores. Este trabajo destaca la precisión gráfica, la disciplina técnica y la capacidad de documentación avanzada de la firma CONTROLOGIC CAD | | Fuente de Información: NASA / Public Domain / Wikipedia Commons (“Block Diagram of Telemetry System”, fuente original en dominio público) | | Copyright: Digitalización, diseño gráfico y estructuración CAD © Markus Hormaza / CONTROLOGIC CAD – Trabajo derivado con atribución al dominio público original | | Herramientas: Autodesk, Inc. | | Standards de Normalización: IEEE 315 (Electrical and Electronic Diagrams), ISA S5.1 (Instrumentation Symbols), ISO 14617 (Graphical Symbols for Diagrams), ANSI Y32.2 (Schematic Diagrams), NASA-STD-8739.3 (Electrical, Electronic, and Electromechanical Drawings), ISO 7200 (Título y estructura de planos técnicos) | | Requerimientos de Diseño: Diagramación CAD a escala uniforme, estructura modular de bloques, nomenclatura jerarquizada, rotulación técnica y simbología normalizada; coherencia entre subsistemas de potencia, telemetría y control; optimización del formato gráfico para impresión y difusión digital | | Experticia requerida: Ingeniería de control, automatización industrial, diseño electrónico, documentación técnica, normalización de simbología, y diagramación CAD avanzada | | Tecnologías Utilizadas: AutoCAD (2D CAD), Autodesk Electrical (simbología eléctrica normalizada), Inkscape (vectorización), Illustrator (ajuste gráfico final), Navisworks (visualización técnica) | | Componentes Representados: Antenas de telemetría, transmisores, convertidores DC/DC, sensores de presión y temperatura, generadores solares, baterías secundarias y módulos de procesamiento de señales | | Documentación Generada: Diagrama CAD vectorizado (.dwg / .dxf), versión digital para impresión (.PDF), memoria descriptiva de componentes, leyenda de simbología y registro técnico de digitalización | | Consideraciones: El proyecto tiene carácter técnico-demostrativo, orientado a la exhibición de habilidades CAD avanzadas en digitalización de diagramas complejos, control de sistemas y documentación técnica. Su propósito es evidenciar la capacidad de CONTROLOGIC CAD (Markus Hormaza) en el manejo de estándares internacionales y la representación gráfica precisa de sistemas aeroespaciales. Se reconoce la fuente original en dominio público, conforme a las políticas de atribución de NASA / Wikipedia Commons | | Atribución: “Block Diagram of Telemetry System” – NASA, Public Domain via Wikipedia Commons. Digitalized by Markus Hormaza / CONTROLOGIC CAD | | Contacto: Markus Hormaza, hormazamarkus@gmail.com | | Derechos: ASAP PROJECTS © / CONTROLOGIC CAD © – Todos los derechos reservados sobre la digitalización y presentación técnica | |
TAGS
#AutodeskInc., #BIM, #CAD, #I&C, #ASME, #ASTM, #API, #NACE, #IEEE, #Oil&Gas, #ASAPPROJECTS, #CONTROLOGICCAD, #MarkusHormaza, #US4031404Patent, #AI